Sūkņi

-20%

Diafragmas sūknis Shurflo 24V 11.3 l/min

ražotājs: Shurflo
4-5 darba dienas, 5 gab.
228.69 €
18238


Preču cena norādīta ar iekļautu PVN 21%.
Norādītā cena ir spēkā, pasūtot preci 15.05.2026.

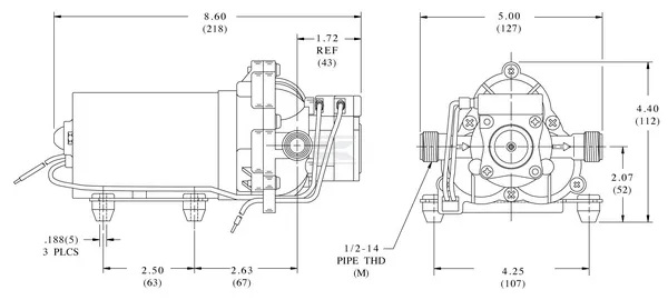
Diafragmas sūknis Shurflo 12V 11.30 l/min

Pateicoties tā mazajam izmēram un izturīgajai konstrukcijai, sūkni var izmantot nelielos pārnēsājamos smidzinātājos un ierobežotās vietās, īpašiem lietojumiem. Šis mazais elektriskais sūknis ir aprīkots ar spiediena slēdzi, kas izslēdz sūkni pārspiediena gadījumā.

Pašuzsūcošs līdz 3 m 
Maksimālais nepārtrauktais spiediens: 3,1 BAR 
Korpusa materiāls: Polipropilēns
Plūsma : 11.30 l/min
Spriegums: 24 V